DELEKS® CF-10 Hydraulic Tree Shear and Log Grapple
The DELEKS® CF-10 Hydraulic Tree Shear and Log Grapple is a versatile attachment designed for mini excavators ranging from 1.0 to 2.0 tons. Constructed entirely from HARDOX steel, it ensures exceptional durability and performance in forestry and land-clearing operations.
Key Features:
- Dual-Functionality: Combines a hydraulic felling shear with a grapple, allowing for efficient cutting and handling of logs and trees up to 10 cm (3.94 inches) in diameter.
- Robust Construction: Made from 100% HARDOX steel with a hardened blade (43 HRC) for enhanced strength and longevity.
- Optimized Design: Weighing 52 kg (115 lbs), its lightweight structure maintains the lifting capacity of mini excavators.
- Efficient Operation: Features a maximum opening of 540 mm (21.26 inches) and operates with a minimum hydraulic flow of 8 l/min, ensuring swift and precise cuts.
- Low Stump Cutting: Designed to cut timber at ground level, minimizing stump height for cleaner results.
- Easy Attachment: Compatible with various mini excavators, with couplings available upon request for seamless integration.
Specifications:
- Weight: 52 kg (115 lbs)
- Maximum Cutting Diameter: 90–120 mm (3.55–4.72 inches)
- Relief Pressure Range: 150–210 bar
- Minimum Hydraulic Flow: 8+ l/min
- Maximum Opening: 540 mm (21.26 inches)
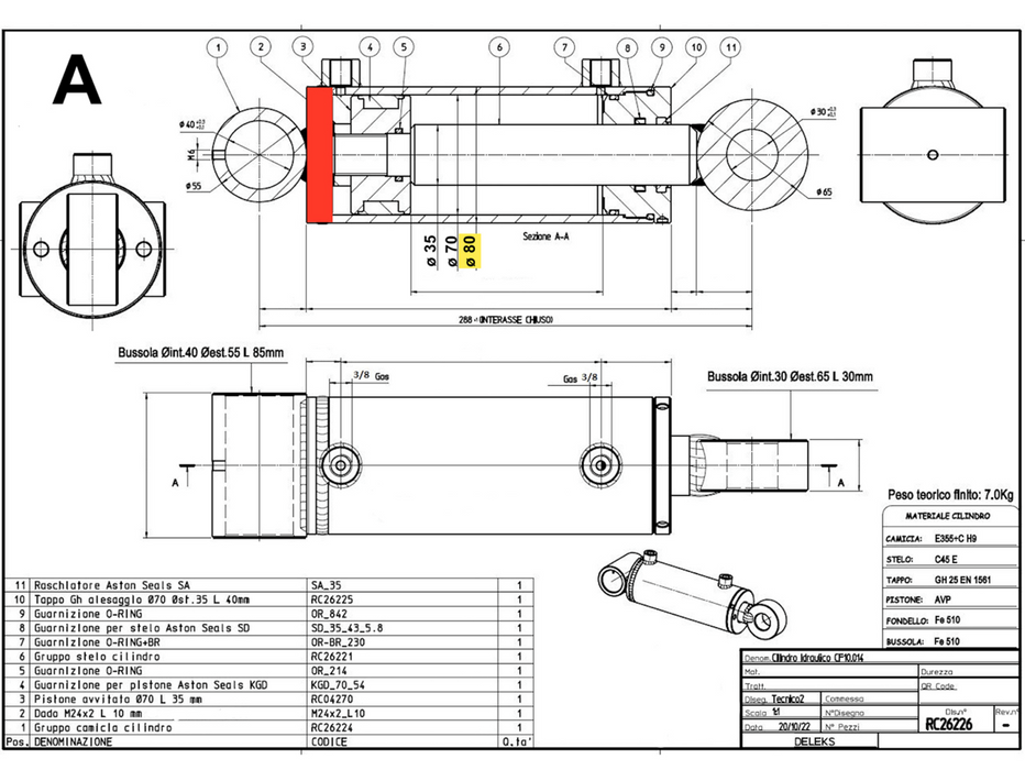
- Hydraulic Cylinder Diameter: 80 mm (3.15 inches) / 35 mm (1.38 inches)
- Recommended Excavator Weight: 1.0–2.0 tons
- Packing Dimensions: 600 × 800 × 450 mm (1.97 × 2.62 × 1.47 ft)
Applications:
- Harvesting low-grade timber and energy wood
- Clearing fields and roadsides
- De-limbing trees and cutting fallen timber
The CF-10's design allows for cutting at ground level, resulting in low stumps and precise cuts. Its dual functionality enables both cutting and loading operations, and the cutting blade can be removed to use the attachment solely as a wood grapple.
Optional accessories, including blunt, conical, vertical wedge, horizontal wedge, and post driver cup chisels, are available to enhance versatility.
For detailed measurements and additional information, please refer to the product images and specifications.
Note: Excavator couplings are available upon request.